张家口的风,点亮北京的灯——海归青年在绿色能源浪潮中显身手
科技公司注册经营范围解析 从技术研发到市场应用的全方位指南
德业股份境外子公司设立完成,签订土地购买协议推动海外投资布局
神州数码为子公司提供担保的进展公告
强强联手 GAN Systems与罗姆携手推动氮化镓功率器件普及之路
《Q/GDW 11179.1-2014 电能表用元器件技术规范 第1部分 电解电容器》解析及其在国网商城的应用
关于“测试”的思考
共话激光智造新未来——双成激光受邀出席柏楚电子第七届激光加工技术研讨会
2021-2025年中国电力电子元器件行业调研及防御型战略咨询报告
宏微电力电子器件品牌简介 专注于功率半导体领域的国产力量
DRV8814步进电机驱动芯片 全面解读与采购指南
2021电动汽车电力电子技术发展及市场格局
电力载波通信专用防静电器件 以Leiditech ESD保护方案为例
技术微课堂丨科普篇 电力电子——现代信息社会的隐形支柱
2020年第二季度SiC与GaN电力电子产品技术进展与市场动态
优派售后服务与拼接屏技术支持联系方式
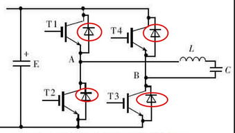
电力电子器件中电压驱动型器件反并联二极管的作用与原理
盛况 宽禁带电力电子器件及装备技术发展现状与展望
EA2 6TNP型号IC 关键特性、数据资料与采购指南
国泰君安发布全市场首份生殖健康专题 生命之光照耀蓝海市场,信息技术咨询服务赋能新生态
如若转载,请注明出处:http://www.515213989.com/product/list-2.html